AdamKFarmer
Hard Core 4+
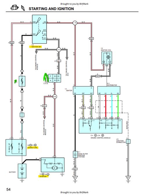
Heyo! So some updates, I replaced the starter, the solenoid plug and the fusible link. I accidentally purchased the wrong ignition switch so had to order the correct one from Stevinson. I took apart the switch and it does look pretty gunky. Was hoping to hit the road camping today, but it looks like I'm waiting on the ignition switch 

